东升国际:66856top

EHS资讯

首页 >  社会责任 >  EHS专题 >  EHS资讯

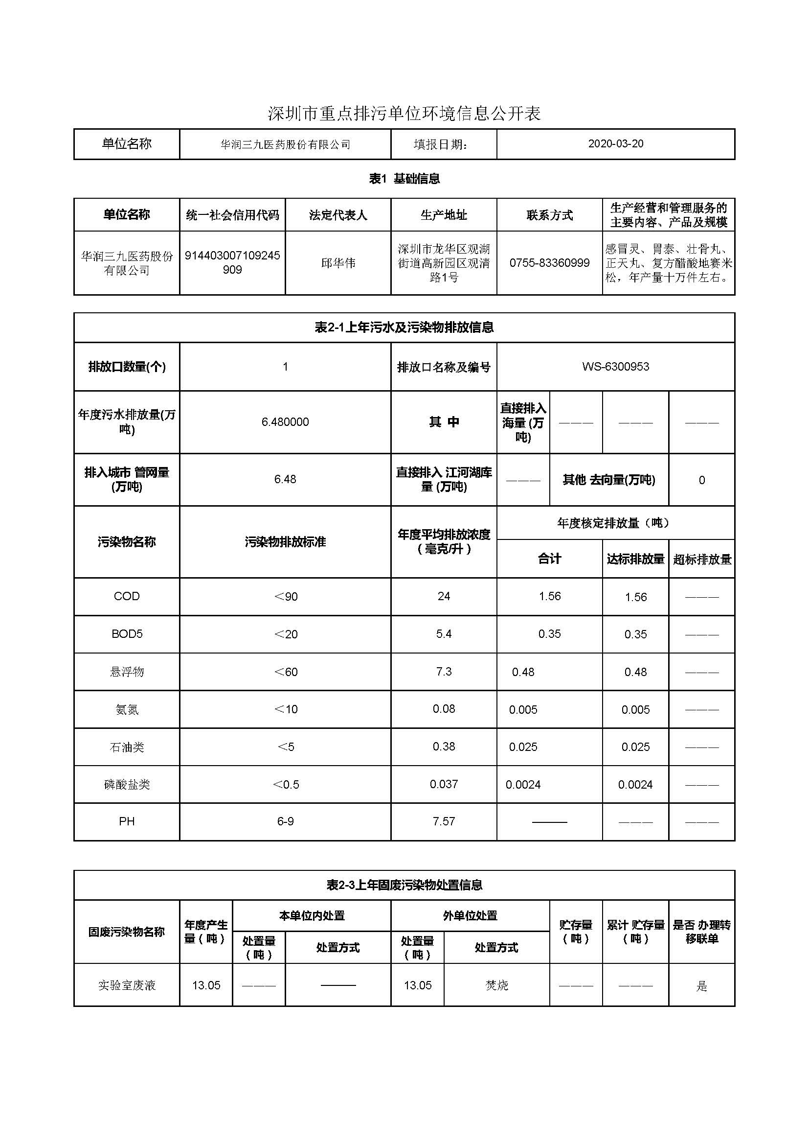
东升国际:66856top医药观澜基地2019年环保信息果真

发稿时间: 2020-03-25 【 字体:

 

互联网药品信息服务资格证书 (粤)—非谋划性—2021—0179
返回到首页 回到顶部
【网站地图】【sitemap】