东升国际:66856top

EHS资讯

首页 >  社会责任 >  EHS专题 >  EHS资讯

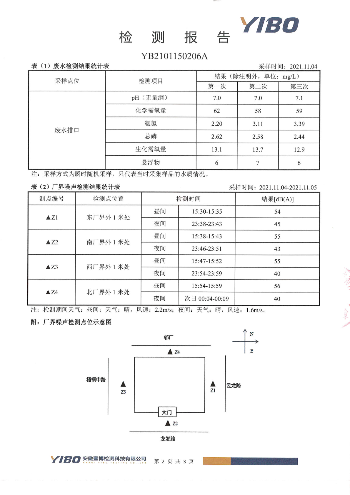
华润金蟾污染物排放检测报告(2021年四序度)

发稿时间: 2021-12-01 泉源:华润金蟾 【 字体:

 

互联网药品信息服务资格证书 (粤)—非谋划性—2021—0179
返回到首页 回到顶部
【网站地图】【sitemap】