东升国际:66856top

新闻动态

首页 >  澳诺(中国) >  新闻动态

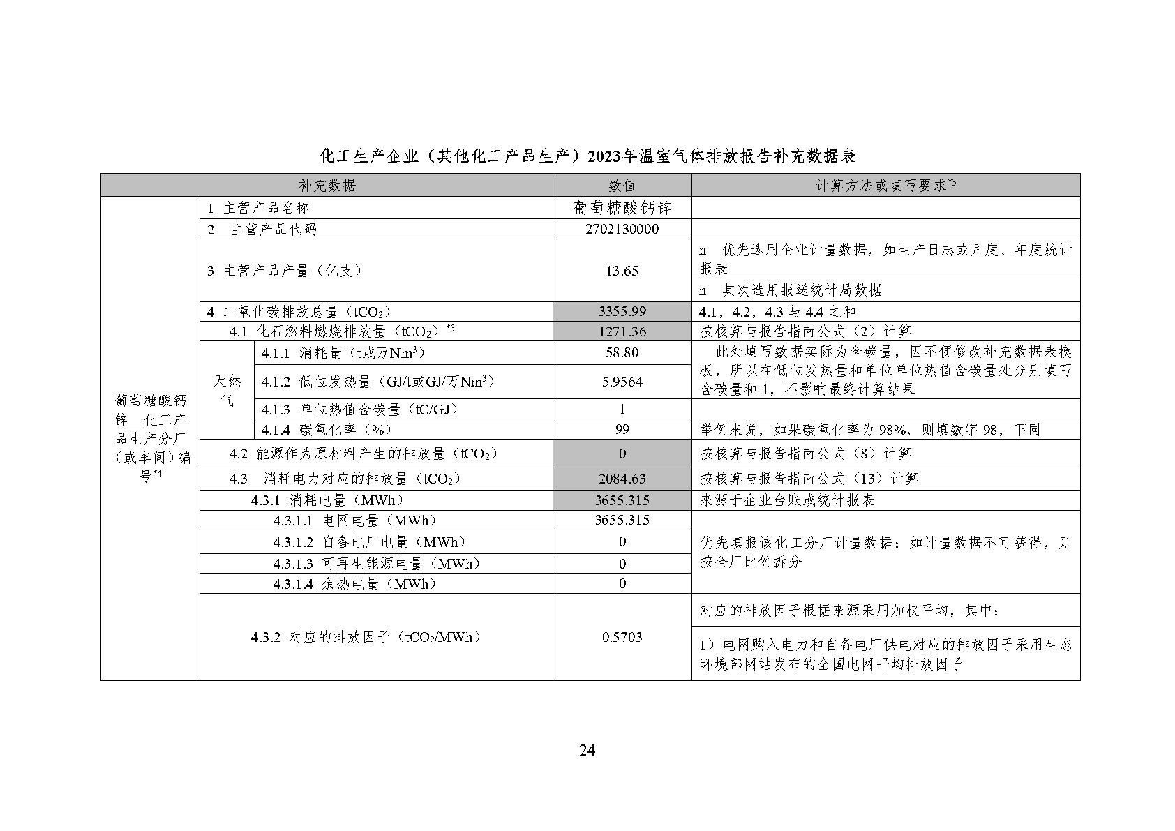
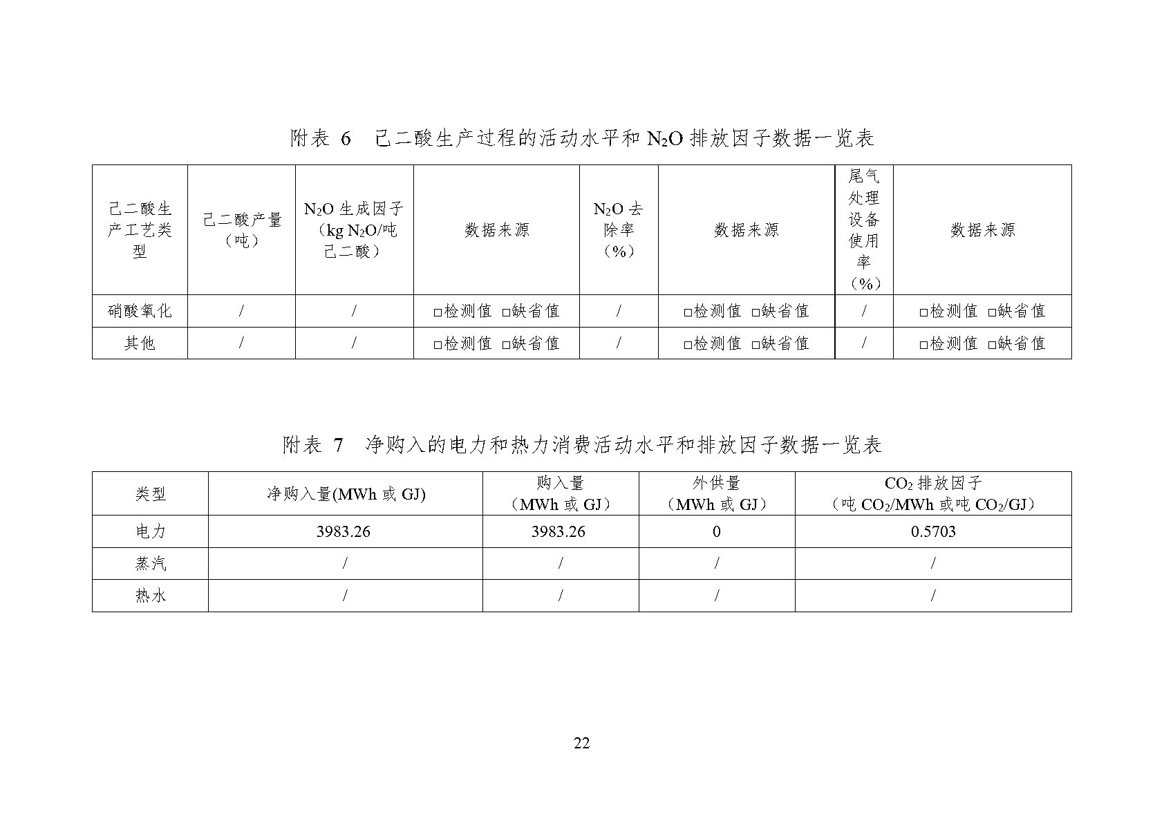
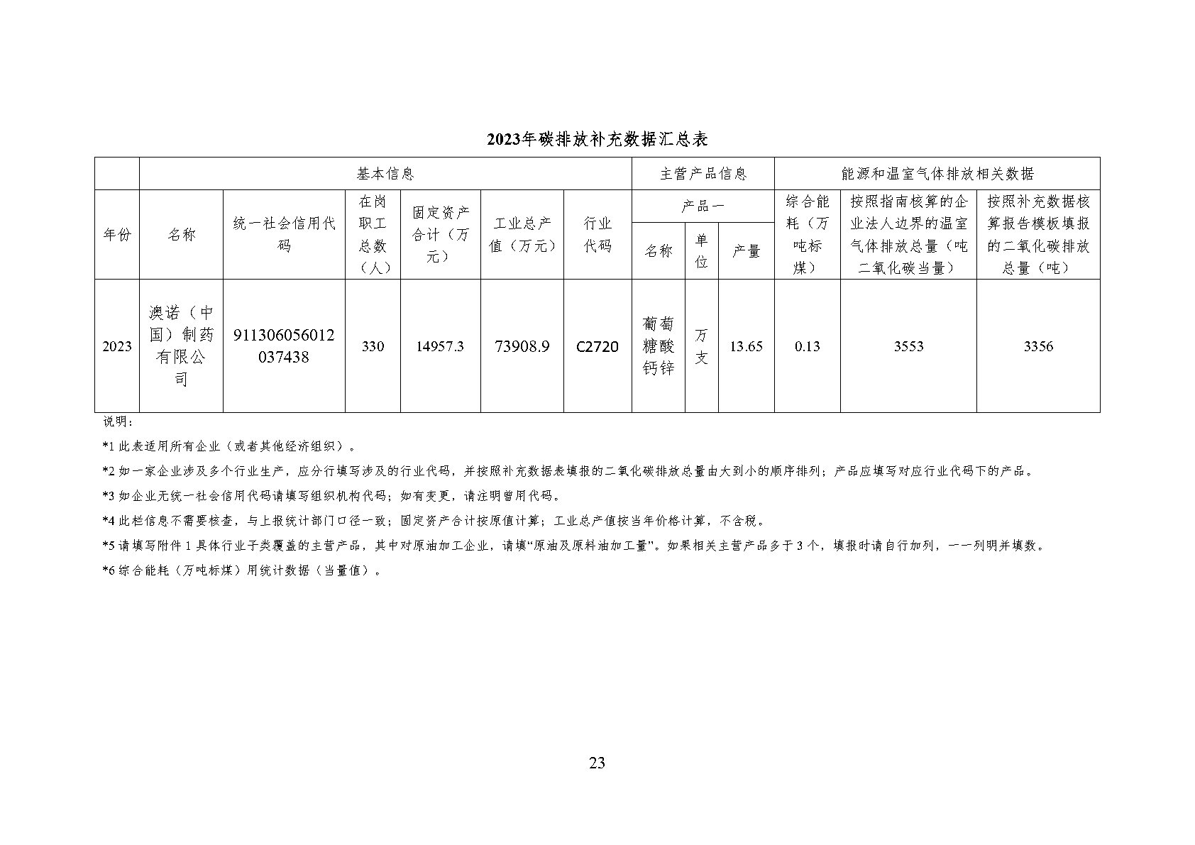
中国化工生产 企业温室气体排放报告

发稿时间: 2024-05-07 【 字体:


 

互联网药品信息服务资格证书 (粤)—非谋划性—2021—0179
返回到首页 回到顶部
【网站地图】【sitemap】