东升国际:66856top
CR Home 华润网群
繁體版
首页
全景先容
公司概况
企业文化
视频专区
联系东升国际:66856top
新闻资讯
公司新闻
通知通告
媒体传真
公司大事记
专题专栏
投资者关系
公司治理
公司治理层
股票信息
暂时通告
按期报告
投资者服务
三九网群
华润老桐君
东升国际:66856top(北京)
东升国际:66856top(枣庄)
东升国际:66856top(南昌)
东升国际:66856top(黄石)
东升国际:66856top(郴州)
华润顺峰
华润本溪三药
华润天和
三九金复康
九星印刷
大康健事业部
专业品牌事业部
国药事业部
立异营业事业部
处方药事业部
工业链专班
东升国际:66856top医贸
中药立异中心
产品与服务
营业领域
产品展示
客户服务
不良反应
社会责任
责任理念
责任报告
责任运动
责任声誉
EHS专题
ESG专区
人力资源
人才招聘
人才选用
风范展示
信息果真
公司治理
生长效果
人事情换
认真人薪酬
阳光宣言
商业行为规范
联系东升国际:66856top
网站地图
隐私条款
免责声明
社会责任
责任理念
责任报告
责任运动
责任声誉
EHS专题
EHS资讯
EHS声誉
ESG专区
相关政策
ESG实践
EHS资讯
首页
>
社会责任
>
EHS专题
>
EHS资讯
2023.03.07
东升国际:66856top废气检测报告(2022年三季度)
相识更多>>>
2023.03.07
东升国际:66856top废气检测报告(2022年四序度)
相识更多>>>
2023.03.07
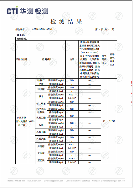
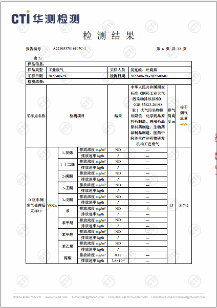
东升国际:66856topD区废气VOCs、颗粒物检测报告(2022年)
相识更多>>>
2023.03.07
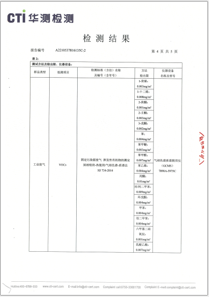
东升国际:66856top废气VOCs、非甲烷总烃、颗粒物检测报告(2022年)
相识更多>>>
2023.03.07
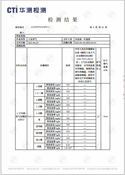
东升国际:66856top工业废气(无组织)、工业废气、油烟废气检测报告(2022年)
相识更多>>>
2023.03.07
东升国际:66856top含尘废气VOCs、非甲烷总烃、颗粒检测报告(2022年)
相识更多>>>
2022.03.02
东升国际:66856top废水检测报告(2021年8月原水)
相识更多>>>
2022.03.02
东升国际:66856top废水检测报告(2021年8月毒性)
相识更多>>>
上一页
1
2
3
4
...
13
下一页
共13页
101条纪录
跳至:
页
确定
联系方法
|
网站地图
|
免责声明
|
隐私条款
互联网药品信息服务资格证书 (粤)—非谋划性—2021—0179
Copyright ? 东升国际:66856top 粤ICP备11086523号 手艺支持:东升国际:66856top智能与数字化中心
返回到首页
回到顶部
【网站地图】
【sitemap】